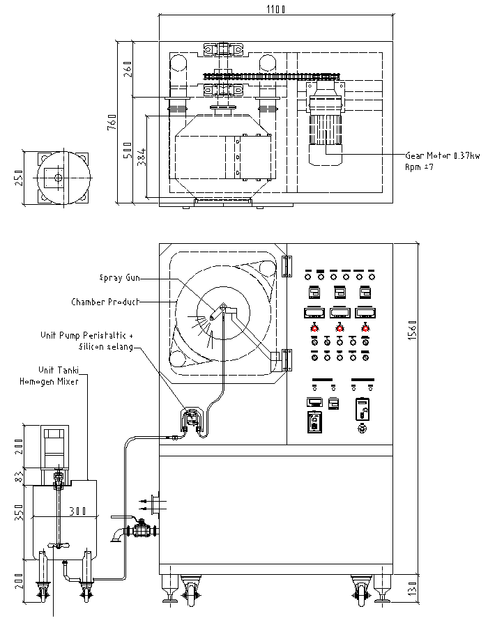
1. SPESIFIKASI
2. GAMBAR TEKNIS
3. DESKRIPSI
- Unit
Body dan Chamber :
- Konstruksi Body SS 304
- Frame menggunakan body tekukan SS 304 # 1.5 mm
- Material chamber product plat SS 316 L # 2 mm lubang Ø 3 mm
- Power gear motor 0.75 Kw, 380Volt + inverter
- Blade atau Baffles product 4 posisi system knock down
- Roda PU Ø 4” + adjuster to fixed position
- 1 bh ball valve Ø 1” to outlet hasil cleaning - Unit
Inlet dan Outlet Hot Air
- 2 Bh motor blower 1 Hp+ fan
- 2 bh Inverter to control volume air flow
- 1 bh Pre filter uk. 12 x 12 x 2”
- 1 bh Medium filter uk. 12 x 12 x 6”
- 1 set Element Heater 500 watt x 3
- 2 Sensor Suhu type CA
- 2 bh Manual Dumper to adjust volume air flow
- 1 lot Ducting pipa SS 304 Ø 3”
- Unit Pump peristaltic + Sprayer
- 1 bh Electromotor pee moger 60 watt
- 1 bh speed control
- 1 Set Head Pump peristaltic Ex. BRT
- 1 Lot Selang silicone bening
- 1 bh Nozzle spray gun
- 1 Set Stand head dudukan spray gun
- 1 bh Air Regulator - Panel Control
- 6 bh Indicator Lamp
- 2 bh Dysplay Temperatur Inlet & Outlet Hot Air Digital
- 1 bh Timer Digital
- 3 bh Rpm meter Digital to Indicator Speed Display (Chamber, Blower Input & Output Hot Air)
- 3 bh Potensio meter to control speed (Chamber, Blower Input & Output Hot Air)
- 4 bh selector swith (Switch power,switch chamber,switch timer, switch heater)
- 6 bh Push bottom
- 3 bh Inverter
- 1 bh E Stop - Unit
Mixer Homogen
- 3 bh Indicator lamp
- 1 bh Timer Digital
- 1 bh Rpm Meter Digital
- 1 bh Potensio meter to control Rpm Blade Mixer
- 1 bh Inverter
- 3 bh Selector Switch (Switch power, swith start dan switch Timer)
- Roda PU Ø 2.5” - Finishing :
- Chamber : Inside dan Outside Mirror polish
- Main Body Inside dan Outside Hairline polish - Dokument IQ, OQ dan Sertifikat Material
2. GAMBAR TEKNIS
3. DESKRIPSI
Mesin Coating Film diciptakan dengan menggunakan teknologi mutahir cara pelapisan dengan menggunakan spray gun. Hasilnya melalui satu tahap proses dimana merupakan gabungan/ kombinasi dari proses pencampuran liquid, di pompa melalui spray gun dengan suhu dan kondisi tertentu. Secara singkat proses Mesin Indocota Coating Film kapasitas 60 kg dapat dijelaskan sebagai berikut : Volume udara yang dibutuhkan umumnya diambil dari area kerja, kemudian dilewatkan melalui saringan awal (Pre Filter), medium filter, hepa filter dan terakhir Exchanger (sumber pemanas). Sebelum masuk chamber product, tablet/ caplet yang akan dilapis/ coating ditimbang/ dicek sesuai kebutuhan dan baru masuk ke chamber product.
Udara bersih dilewatkan melalui ducting ke bagian atas, dengan demikian akan terjadi aglomerasi dengan adanya zat pengikat yang digunakan untuk pelapisan/ coating.
Udara bersih dilewatkan melalui ducting ke bagian atas, dengan demikian akan terjadi aglomerasi dengan adanya zat pengikat yang digunakan untuk pelapisan/ coating.
Bagian-bagian penting yang termasuk tambahan :
1. Control Temperature automatic untuk monitoring temperature
2. Pengaturan volume udara dikontrol dengan damper
3. Control liquid dengan peristaltic pump untuk proses penyemprotan
Untuk proses penyemprotan digunakan dua buah spray gun yang dipasang tepat ditengah-tengah Chamber pengering. Spray gun bisa di atur kearah vertical dan horizontal yang ditransfer melalui sebuah selang silicone dengan tekanan dari pompa peristaltic yang dapat diatur kapasitasnya dengan mengatur kecepatan putaran. Bahan yang dilapis, yang mungkin terdiri dari satu atau lebih material yang dimasukan kedalam tanki homogen mixer. Kemudaian temperature udara yang masuk diatur antara 50-70oC agar selama waktu penyemprotan produk proses pengeringan menjadi singkat, terkecuali bila penyemprotan dilakukan dengan menggunakan pelarut organic, maka temperature diatur serendah mungkin.
Coating film terdiri dari beberapa alat diantaranya adalah Mesin ruang coating itu sendiri, Inlet filter, Outlet filter, Pompa Peristaltik dan tangki mxing liquid. Ke empat alat ini merupakan satu keatuan yang tidak bisa dipisahkan dalam proses coating. Yang menjadi parameter dalam proses pelapisan produk yang akan di coating diantaranya adalah
sebagai berikut :
- Jarak spray gun dengan bed tablet
- Atomizing dan pattern air
- Pan pressure (tekanan pan coating)
- Pan speed (kecepatan pan coating)
- Spray rate
- Temperature inlet air
- Temperatur outlet air
- Kecepatan evaporasi solvent
- Volume partikel penyemprotan
- Humiditas
- Total kapasitas pengeringan
- Total Volume udara
- Adhesion of particles to the gun surface
- Aliran peristaltic pump
- Kecepatan dan lamanya penyemprotan
5. HARGA MESIN
Untuk harga mesin dan penawaran khusus sesuai spesifikasi bisa anda hubungi saja KONTAK KAMI atau download penawaran. (link akan aktif jika penawaran sudah di upload)


