1. SPESIFIKASI
- Dimensi : 900 x 580 x 1400 mm
- Material :
- Ranka Body mild steel finishing epoksi + painting
- Cover body plat SS 304 # 1.5 mm
- Roller SS304 diameter 2"
- Cover Motor SS304 #1.5mm
- Power dan Aksesories
- Motor penggerak : Electro motor 2Hp/1.5Kw
- Adjuster foot/ stelan naik turun kaki
- Brake / rem
- Pully + V belt
- Bearing
- Control panel :
- MCB
- Inverter 2Hp 220/380 V
- Timer
- Potensiometer
- Sensor fiber optic
- Encoder
- Indicator lamp
- Push bottom
- Emergency stop
- Finishing Hairline polish
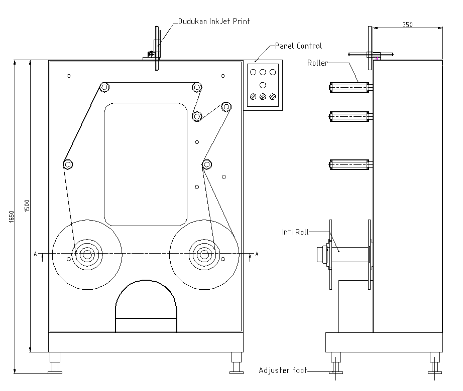
2. GAMBAR TEKNIS
3. DESKRIPSI
Mesin Rewinder Merupakan sebuah mesin yang berfungsi untuk menggulung ulang foil plastik yang akan diberi kode/tanggal/print secara kontinyu. Cara kerja dari mesin ini adalah Roll Foil ditempatkan pada Roller 2 (bukan penggerak utama), kemudian ujung plastik ditarik dan diposisikan sesuai alur Roll menuju Roller 1 (penggerak utama). Roll penggerak utama diputarkan oleh sebuah motor yang ditransmisikan melalui belt dan pully untuk menggulung ulang foil plastik yang telah diberi kode/tanggal/print tersebut
Mesin Rewinder ini juga dilengkapi dengan variable speed sehingga kecepatan putaran motor dapat diatur sesuai kebutuhan. Kecepatan putaran Roll akan menentukan hasil gulungan platik.Sehingga kecepatan putaran harus menyesuaikan terhadap besar kecilnya dimensi atau ukuran foil plastik tersebut. Biasanya mesin ini sering dilengkapi dengan timer otomatis, dimana jika timer diaktifkan maka mesin akan mati secara otomatis jika waktu yang disetting telah tercapai.
4. UNIT MESIN
5. HARGA MESIN
Untuk harga mesin dan penawaran khusus sesuai spesifikasi bisa anda hubungi saja KONTAK KAMI atau download penawaran. (link akan aktif jika penawaran sudah di upload)
DOWNLOAD
- Dimensi : 900 x 580 x 1400 mm
- Material :
- Ranka Body mild steel finishing epoksi + painting
- Cover body plat SS 304 # 1.5 mm
- Roller SS304 diameter 2"
- Cover Motor SS304 #1.5mm - Power dan Aksesories
- Motor penggerak : Electro motor 2Hp/1.5Kw
- Adjuster foot/ stelan naik turun kaki
- Brake / rem
- Pully + V belt
- Bearing - Control panel :
- MCB
- Inverter 2Hp 220/380 V
- Timer
- Potensiometer
- Sensor fiber optic
- Encoder
- Indicator lamp
- Push bottom
- Emergency stop - Finishing Hairline polish
Mesin Rewinder Merupakan sebuah mesin yang berfungsi untuk menggulung ulang foil plastik yang akan diberi kode/tanggal/print secara kontinyu. Cara kerja dari mesin ini adalah Roll Foil ditempatkan pada Roller 2 (bukan penggerak utama), kemudian ujung plastik ditarik dan diposisikan sesuai alur Roll menuju Roller 1 (penggerak utama). Roll penggerak utama diputarkan oleh sebuah motor yang ditransmisikan melalui belt dan pully untuk menggulung ulang foil plastik yang telah diberi kode/tanggal/print tersebut
Mesin Rewinder ini juga dilengkapi dengan variable speed sehingga kecepatan putaran motor dapat diatur sesuai kebutuhan. Kecepatan putaran Roll akan menentukan hasil gulungan platik.Sehingga kecepatan putaran harus menyesuaikan terhadap besar kecilnya dimensi atau ukuran foil plastik tersebut. Biasanya mesin ini sering dilengkapi dengan timer otomatis, dimana jika timer diaktifkan maka mesin akan mati secara otomatis jika waktu yang disetting telah tercapai.
DOWNLOAD
