1. SPESIFIKASI
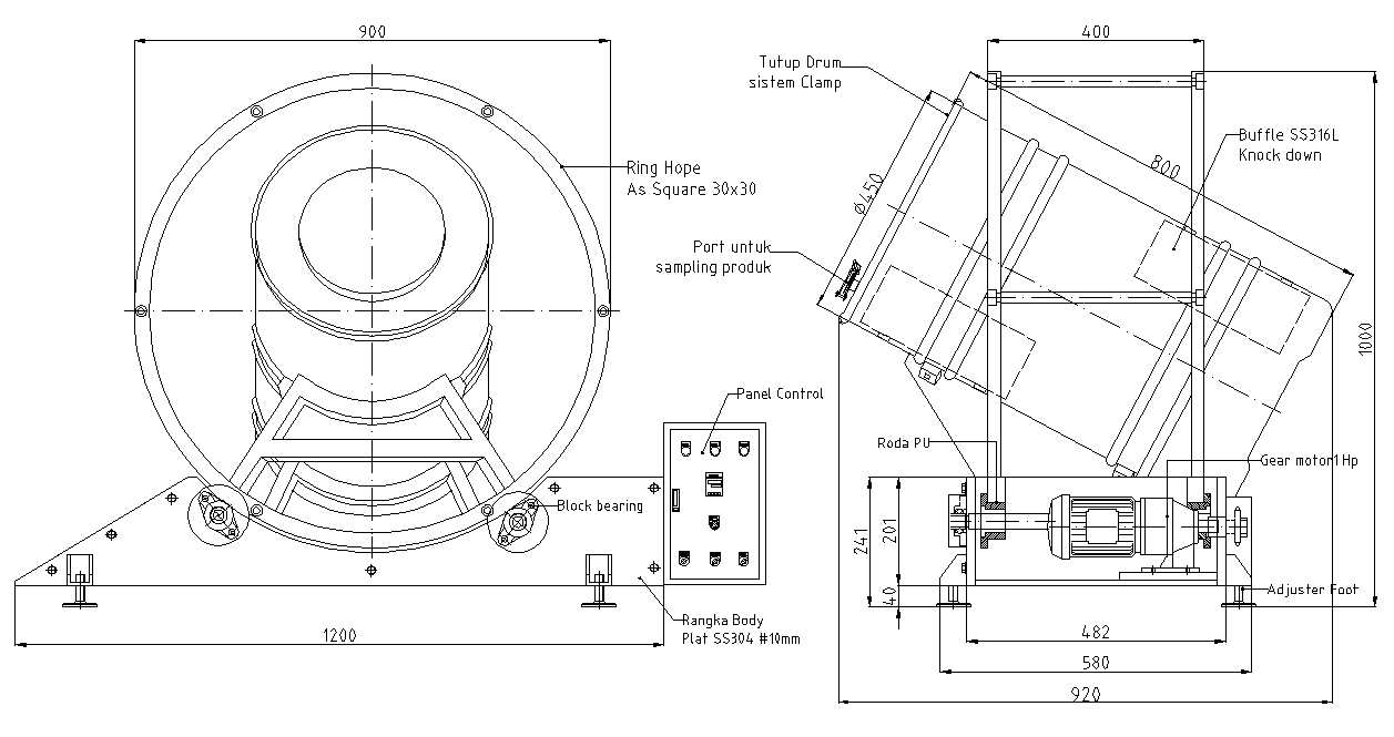
2. GAMBAR TEKNIS
3. DESKRIPSI
Drum Mixer adalah sebuah mesin yang berfungsi untuk mencampur dan mengaduk 2 atau lebih bahan produk yang berbentuk tepung atau powder menjadi homogen. Drum mixer powder ini menggunakan material food grade dimana material yang berinteraksi langsung dengan product menggunakan bahan SS316L dan untuk material yang tidak bersentuhan langsung dengan product menggunakan bahan SS304.
4. UNIT MESIN

- Volume : 120 liter, kapasitas : 50 KG
- Dimensi
:
- External : 1200 x 580 x 1000 (mm)
- Internal : Ø 450 x 800 (mm) - Material
- Material Contact Product SS 316L
- Material Non Contact Product SS 304
- Drum Mixer : Ø 450 x 800 Plat SS 316L # 1.5 mm + tutup + clamp
- Buffle drum mixer : 2 posisi bahan SS 316L (Knock down)
- Ring Dudukan Drum : Ø 900 Square solid SS 304 30 x 30
- Rangka Body : Plat SS 304 # 10 mm
- Support penyangga tengah : pipa SS 304 Ø 25 mm
- Cover body : Plat SS 304 # 1.5 mm
- Cover Transmisi : Plat SS 304 # 1,5mm
- Box panel Plat SS 304 # 1.5 mm
- Adjuster foot - Power : Gear Motor 0.55 kW/0.75 Hp 220/380V 50 Hz
- Accessories
:
- 1 bh port untuk samping produk
- 4 bh Roda Glinding bahan PU
- 4 bh Block Bearing
- Transmisi Chain + Sprocket
- Sabuk pengikat drum
- Seal Tutup bahan EPDM - Panel
Control :
- Inverter 1Hp
- Timer- Speed Dysplay - Finishing : Inside mirror polish dan outside hairline polish
- Dokumen : IQ, OQ, dan Sertifikat material
2. GAMBAR TEKNIS
3. DESKRIPSI
Drum Mixer adalah sebuah mesin yang berfungsi untuk mencampur dan mengaduk 2 atau lebih bahan produk yang berbentuk tepung atau powder menjadi homogen. Drum mixer powder ini menggunakan material food grade dimana material yang berinteraksi langsung dengan product menggunakan bahan SS316L dan untuk material yang tidak bersentuhan langsung dengan product menggunakan bahan SS304.
Cara kerja mesin Drum Mixer yaitu motor menggerakan sprocket sebagai transmisi penghubungnya, kemudian sprocket dihubungkan pada poros roda PU yang menopang dudukan drum mixer. sehingga drum mixer tersebut dapat berputar dengan kecepatan tertentu.
Drum Mixer bisanya dilengkapi dengan varible speed control sehingga kecepatan putarannnya dapat diatur sesuai kebutuhan yang diinginkan. Didalam drum terdapat blade yang berfungsi sebagai jalur pengaduk product.
Porses mixing atau pencmapuran adalah salah satu operasi farmasi yang paling umum. sulit untu menemukan produk farmasi dimana pencampuran tidak dilakukan pada tahap pengolahan.
Pencampuran dapat didefinisikan sebagai proses dimana dua atau lebih bahan dalam kondisi campuran terpisah atau kasar diperlakukan sedemikian rupa sehingga setiap partikel dari salah satu bahan terletak sedekat mungkin denga partikel bahan atau komponen lain. Proses ini melibatkan gas, cairan atau padatan dalam setiap kombinasi dan rasio dua atau lebih bahan yang mungkin (Madinah, 2008).
4. UNIT MESIN

5. HARGA MESIN
Untuk harga mesin dan penawaran khusus sesuai spesifikasi bisa anda hubungi saja KONTAK KAMI atau download penawaran. (link akan aktif jika penawaran sudah di upload)
