1. SPESIFIKASI
3. DESKRIPSI
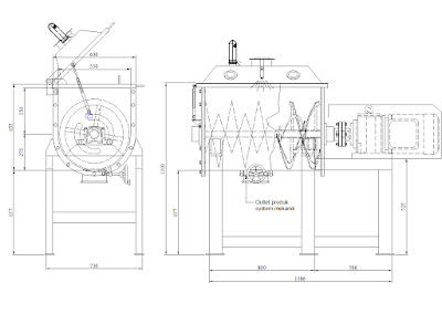
- Volume Chamber 280 liter
- Kap. Kerja 100 kg
- Dimensi
:
- Internal : Ø 1000x596x700 mm
- External : 1782x726x1568 mm - Material
:
- Contact Product SS 304Non Contact Product SS 304
- Konstruksi Body UNP Mild Steel Finishing Epoksi + Painting
- Cover Body Plat SS 304 # 1.5 mm
- Chamber SS 316 L # 3 mm + Penguat
- Blade Ribbon Mixer Plat SS 316 L # 2 – 4 mm - Power
dan aksesories :
- Gearmotor : 4 kW, 380V, 1400 rpm
- 1 set Transmisi Chain + Sprocket RS80-2
- Gearbox Putar manual For Outlet Product
- 1 bh Sight Glass
- 2 bh connection untuk produk
- 1 bh filter bag
- 3 bh Pilow Block Bearing - Panel Control
- Finishing
:
- Inside Mirror Polished
- Outside Hairline Polished - Dokumen ; IQ, OQ & Sertifikat Material
3. DESKRIPSI
Ribbon mixer adalah sebuah mesin yang berfungsi untuk mengaduk/mencampur bahan berbentuk powder dengan tingkat basah yang tinggi. Cara kerja mesin ini hampir sama dengan knider mixer yaitu digerakan oleh sebuah motor yang ditransmisikan pada sebuah gear box kemudian di sambungkan atau di trasmisikan pada shaft untuk menggerakan blade-nya.
Ribon mixer biasanya khas dengan bentuk bladenya yang menyerupai bentuk secrew namu bladenya ini terputus satu sama lain dalam arak radial dan memiliki ukuran yang berbeda antara diamter paling besar untuk diletakan dibagian luar dan diamater terkecil diletakan dibagian dalam, kemudian keduanya yang berfungsi untuk mengaduk secara mekanisme bolak balik terhadap produk yang berbentuk powder agar merata. sperti ini bentuk blade atau pisau ribon mixer tersebut untuk type horizontal.
Material yang digunakan untuk membuat mesin ini tentunya harus sesuai standar GMP khusus untuk industri farmasi, makanan, dan minuman. dimana material yang kontak dengan produk harus menggunakan bahan SS316L dan material yang tidak kontak atau bersentuhan langsung dengan produk menggunakan bahan SS304.
4. UNIT MESIN

